

Test de vitesse WiFi mesh : TP-Link Deco X90 en duo, vitesse à gogo
Deux routeurs Deco-X90 de TP-Link font de l'ombre à tous les systèmes mesh testés jusqu'à présent dans mon appartement lors du test de vitesse WiFi.
Dans mon appartement mansardé de deux étages, je teste des routeurs et des systèmes mesh. Au cours des tests, je détermine pour chaque pièce le niveau du signal, la latence et la vitesse de téléchargement. Cette fois, deux Deco X90 de TP-Link sont testés.
J'ai acheté ces deux produits dans notre boutique en ligne. Nous vendons le routeur en pack de deux ou seul.
Quel matériel et quelles fonctionnalités offrent les deux routeurs ?
Le système mesh offre le standard WiFi 6 et six antennes internes dans chaque routeur Deco X90. Quatre d'entre elles sont censées assurer un WiFi puissant autour de l'appareil et les deux autres, assurer une connexion stable entre les routeurs. Pour ce faire, TP-Link mise sur la technologie tribande. Donc sur une troisième bande de fréquences censée assurer une connexion forte, aussi appelée backhaul, entre les appareils du réseau sur la fréquence 5 GHz.
Si vous préférez construire votre nouveau réseau local sans fil mesh en utilisant un câble Ethernet comme backhaul, vous pouvez aussi le faire avec ce système. Dans le test, je me base toutefois sur la solution tribande sans-fil pour pouvoir comparer le système avec les autres déjà testés.

Les connexions du Deco X90 sont un peu minimalistes. L'appareil n'offre que deux ports RJ45. L'un d'entre eux offre tout de même un débit de données allant jusqu'à 2,5 gigabits par seconde et le deuxième jusqu'à un gigabit.
Les spécifications du routeur Deco-X90 :
| Processeur | CPU Quad Core 1,5 GHz |
|---|---|
| Antennes | 6 × internes (4 × high gain, 2 × Smart pour le backhaul) |
| Ports | 1 × RJ45 2,5-Gigabit, 1 × RJ45 Gigabit |
| Standards 2,4 GHz | IEEE 802.11ax/n/b/g |
| Standards 5 GHz | IEEE 802.11ax/ac/n/a |
| Débit 2,4 GHz | jusqu'à 574 Mbps |
| Débit 5 GHz | jusqu'à 4804 Mbps |
| Débit 5 GHz, troisième bande | jusqu'à 1201 Mbps |
| Modes de fonctionnement | routeur, point d'accès |
| Sécurité et cryptage | WPA3-Personal, WPA2-Personal, WPA-Personal, SPI Firewall, Access Control et plus |
| Fonctionnalités | WiFi mesh standard WiFi 6, tri-bande, beamforming, 4x4 MU-MIMO, OFDMA, réseau invité, UPnP et plus |
| Utilisation | bouton reset |
| Dimensions | 13 × 12,3 × 21 cm, 716 g |
Mise en service via l'application
La mise en service se fait via l'appli « TP-Link Deco », disponible pour Android et iOS. À ma connaissance, une configuration via l'interface web n'est pas possible. Il est possible d'accéder à l'interface web via l'adresse IP du routeur, mais il n'affiche que des informations et ne peut pas être utilisé pour configurer le réseau local sans fil ou pour d'autres paramètres primaires.
Pour configurer les deux appareils, je suis les instructions de l'application. Je connecte mon modem par câble au routeur primaire et le démarre. J'attends que la LED passe du jaune au bleu et qu'elle clignote. L'appareil apparaît alors dans l'appli. L'application se connecte à un réseau WiFi temporairement ouvert du routeur et me permet de configurer mon nouveau réseau sans fil avec le SSID « Hack-mi-Net ».

Lorsque la première unité équipée du nouveau WiFi 6 est prête à fonctionner, l'application m'indique que le routeur se connectera automatiquement à d'autres nœuds mesh dans les 120 secondes. Pratique, cela m'évite de devoir déclencher manuellement le processus de connexion. La deuxième unité est reconnue sans problème. Les LED des deux routeurs sont maintenant vertes. Le réseau mesh sans fil est en place.
Vous pouvez aussi désactiver la LED ou la programmer pour qu'elle ne s'allume que pendant la journée. L'option correspondante se trouve dans l'appli, où tous les autres réglages du nouveau mesh peuvent facilement être faits. Par exemple, j'active le « Fast Roaming » (IEEE 802.11r), qui permet d'assurer un passage sans interruption entre les différents nœuds/satellites, alias les différents réseaux WiFi. J'ai eu de bonnes expériences avec cette option et mes terminaux. Ainsi, les appels vidéo ne sont pas interrompus, même lorsque je me promène dans l'appartement.
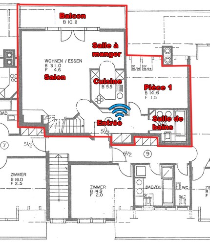
Plan de l'appartement et position des routeurs
Je place les deux Deco X90 dans mon appartement aux mêmes endroits que ceux où j'ai placé les appareils correspondants lors de mes précédents tests de vitesse WiFi mesh. Je place le nœud qui fait office de routeur au dernier étage du duplex de 140 m², près de la prise téléréseau la plus centrale. Le nœud d'extension est placé à l'étage inférieur, dans l'entrée. C'est là que l'appareil situé au-dessus offre la meilleure intensité ou permet le backhaul le plus puissant entre les nœuds. Le signal doit se frayer un chemin dans l'appartement à travers le chauffage au sol et le béton armé épais.


Vitesse, ping et intensité du signal par pièce
Avant de tester, je donne trois jours au nouveau WiFi et y accède depuis chaque pièce. Je me tourne alors vers le même ordinateur portable compatible WiFi 6 que d'habitude, un Asus ZenBook Duo. Ce dernier exécute le logiciel « NetSpot » pour déterminer l'intensité du signal et créer des cartes thermiques. Pour déterminer la latence, je fais appel à mon NAS et le pingue. Je détermine la vitesse de téléchargement en téléchargeant depuis le NAS. Comme toujours, je prends toutes les mesures aux mêmes 37 points de l'appartement. Ils sont visibles sur les cartes thermiques ci-dessous.
Résultats
Le réseau mesh TP-Link Deco X90 livre les résultats suivants :
| Emplacement | Bande de fréquence 5 GHz
Vitesse / ping / force du signal | Bande de fréquence 2,4 GHz
Vitesse / ping / force du signal |
|---|---|---|
| Entrée | 454,12 Mbps / 4 ms / −39 dBm | 270,75 Mbps / 4 ms / −42 dBm |
| Salon | 444,27 Mbps / 5 ms / −60 dBm | 232,88 Mbps / 5 ms / −54 dBm |
| Salle à manger | 434,68 Mbps / 5 ms / −59 dBm | 231,47 Mbps / 6 ms / −59 dBm |
| Cuisine | 440,52 Mbps / 4 ms / −54 dBm | 249,08 Mbps / 5 ms / −47 dBm |
| Balcon | 429,61 Mbps / 8 ms / −72 dBm | 199,49 Mbps / 9 ms / −66 dBm |
| Chambre 1 | 447,23 Mbps / 5 ms / −61 dBm | 227,62 Mbps / 5 ms / −51 dBm |
| Salle de bains | 445,16 Mbps / 5 ms / −61 dBm | 237,56 Mbps / 6 ms / −54 dBm |
| Couloir | 901,60 Mbps / 4 ms / −47 dBm | 293,00 Mbps / 4 ms / −55 dBm |
| Chambre 2 | 862,12 Mbps / 5 ms / −60 dBm | 253,15 Mbps / 5 ms / −60 dBm |
| Chambre 3 | 911,55 Mbps / 3 ms / −41 dBm | 317,21 Mbps / 3 ms / −38 dBm |
| Chambre 4 | 903,15 Mbps / 4 ms / −56 dBm | 282,80 Mbps / 4 ms / −51 dBm |
| Douche/WC | 901,70 Mbps / 4 ms / −55 dBm | 273,64 Mbps / 4 ms / −56 dBm |
| Moyenne 1er étage | 442,23 Mbps / 5 ms / −58 dBm | 235,55 Mbps / 6 ms / −53 dBm |
| Moyenne 2e étage | 896,02 Mbps / 4 ms / −52 dBm | 283,96 Mbps / 4 ms / −52 dBm |
| Moyenne appartement | 631,31 Mbps / 5 ms / −55 dBm | 255,72 Mbps / 5 ms / −53 dBm |
À l'étage, le nouveau WiFi livre d'excellentes performances. De plus, il traverse les murs avec une aisance incroyable. Il atteint environ 900 Mbps dans toutes les pièces sur la bande de fréquence de 5 GHz. Chez moi, je n'ai jamais vu un routeur livrer de tels résultats sur un niveau. L'appareil le plus puissant jusqu'à présent était un Linksys Velop AX4200 avec une moyenne de 782,61 Mbps à l'étage supérieur. Il en va de même pour la bande de fréquence de 2,4 GHz, où TP-Link atteint en moyenne 283,96 Mbps. Jusqu'à présent, le maximum était de 184,03 Mbps, aussi atteint par le routeur Linksys.
À l'étage inférieur, j'obtiens encore bien 442,23 Mbps à 5 GHz avec TP-Link. La vitesse est divisée par deux, mais elle reste immensément élevée. Cela représente tout de même 44 % de ma vitesse de connexion Internet, mais ce n'est pas la meilleure performance. Netgear était bien plus rapide avec son Orbi AX6000 et une moyenne de 601,18 Mbps. À 2,4 GHz, l'Asus ZenWiFi AX était jusqu'à présent en tête en bas avec 146,42 Mbps. Avec 235,55 Mbps, TP-Link fait bien mieux.
Sur l'ensemble de l'appartement, le mesh TP-Link est le nouveau roi du test de vitesse WiFi avec respectivement 631,31 Mbps et 255,72 Mbps, comme vous pouvez le voir dans la comparaison avec la concurrence ci-dessous. Mais avant cela, un petit coup d'œil sur la latence, le ping, et surtout sur la force du signal.
Le temps de réponse nécessaire à un signal pour aller de l'ordinateur portable au NAS et inversement, le ping, est en moyenne de cinq millisecondes dans les deux bandes de fréquences. Une bonne valeur qui convient parfaitement à mes compétences non professionnelles en matière de gaming en ligne. D'ailleurs, aucun système mesh ou routeur individuel n'a encore réussi à faire moins de trois millisecondes en moyenne dans l'appartement ; cela n'est possible que par connexion filaire.
Visualisation de la couverture WiFi 5 GHz
Dans la bande de fréquences 5 GHz, l'intensité du signal est en moyenne de -55 décibels milliwatts (dBm) sur l'ensemble de l'appartement. Une excellente valeur et la deuxième plus forte que je n’ai jamais mesurée. Un mesh Swisscom composé de l'Internet-Box 3 et de la WLAN Box 2 a également atteint -55 dBm. Jusqu'à présent, seul le Velop AX4200 de Linksys a fait mieux avec -54 dBm.
Le seul endroit où certains terminaux peuvent éventuellement changer de bande/réseau en raison d'un signal trop faible est le balcon. Ici, je mesure -72 dBm. Par certains terminaux, j'entends les smartphones comme l'iPhone. Ce dernier devrait par exemple privilégier la bande de fréquence de 5 GHz jusqu'à -65 dBm, puis passer à 2,4 GHz pour les valeurs inférieures. Puis, il passerait à l'Internet mobile pour les valeurs inférieures à -70 dBm sur la bande de 2,4 GHz. Quoi qu'il en soit, je suis heureux de constater que mes appareils continuent de fonctionner même à -75 dBm. Mais ils ne doivent pas pour autant faire face à une grosse perte de vitesse par rapport aux autres pièces du même étage. Ce n'était pas la règle jusqu'à présent.
Les cartes thermiques suivantes permettent de visualiser la bonne couverture du signal. L'intensité du signal y est représentée par des couleurs. J'ai défini l'échelle de la représentation de -35 à -80 dBm. À partir de -80 dBm, la plupart des appareils ne peuvent plus communiquer avec le routeur. Les valeurs dBm élevées sont donc meilleures que les valeurs basses. Plus la coloration tire sur le bleu, plus la connexion est mauvaise.



Visualisation de la couverture WiFi 2,4 GHz
Pour la bande de fréquence de 2,4 GHz, la moyenne de l'appartement est de -53 dBm. Le signal reste turquoise, même sur le balcon et a donc typiquement une performance légèrement meilleure en termes de portée par rapport à la bande de 5 GHz.



Comparaison avec la concurrence
Comparé aux systèmes mesh testés jusqu'à présent, TP-Link tire parfaitement son épingle du jeu. La couronne revient donc au Deco X90. Néanmoins, le classement montre qu'il s'en est fallu de très peu, surtout pour la bande de fréquence de5 GHz, sur les deux étages. Netgear est quasiment à égalité avec l'Orbi et seulement 1,67 Mbps les séparent.
Comparaison 5 GHz :
| Système Mesh WiFi | Moyenne appartement (bande de fréquence 5 GHz)
vitesse / ping / force du signal |
|---|---|
| TP-Link Mesh : Deco X90
(WiFi 6, 2 Access Points) | 631,31 Mbps / 5 ms / −55 dBm |
| Netgear Mesh : Orbi AX6000
(WiFi 6, 2 Access Points) | 629.64 Mbps / 5 ms / -58 dBm |
| Linksys Mesh : Velop AX4200
(WiFi 6, 2 Access Points) | 525.23 Mbps / 7 ms / -54 dBm |
| Swisscom Mesh Wi-Fi 6
(Internet Box 3 + WLAN-Box 2) | 482.14 Mbps / 3 ms / -55 dBm |
| Asus Mesh : ZenWiFi AX6600
(WiFi 6, 2 Access Points) | 467.36 Mbps / 3 ms / -57 dBm |
| Devolo Mesh : Magic 2 WiFi 6
(3 Access Points) | 220.15 Mbps / 6 ms / -62 dBm |
| Devolo Mesh : Mesh WiFi 2
(WiFi 5, 3 Access Points) | 214.44 Mbps / 6 ms / -60 dBm |
Comparaison 2,4 GHz :
| Système Mesh WiFi | Moyenne appartement (bande de fréquence 2,4 GHz)
vitesse / ping / force du signal |
|---|---|
| TP-Link Mesh: Deco X90
(Wi-Fi 6, 2 Access Points) | 255,72 Mbps / 5 ms / −53 dBm |
| Linksys Mesh : Velop AX4200
(WiFi 6, 2 Access Points) | 150.82 Mbps / 7 ms / -59 dBm |
| Asus Mesh : ZenWiFi AX6600
(WiFi 6, 2 Access Points) | 139.77 Mbps / 3 ms / -56 dBm |
| Netgear Mesh : Orbi AX6000
(WiFi 6, 2 Access Points) | 128.53 Mbps / 5 ms / -54 dBm |
| Devolo Mesh : Magic 2 WiFi 6
(3 Access Points) | 128.09 Mbps / 7 ms / -59 dBm |
| Devolo Mesh : Mesh WiFi 2
(WiFi 5, 3 Access Points) | 126.70 Mbps / 7 ms / -57 dBm |
| Swisscom Mesh Wi-Fi 6
(Internet Box 3 + WLAN-Box 2) | 117.26 Mbps / 4 ms / -59 dBm |
Verdict : un système mesh performant
Le réseau mesh TP-Link Deco X90 m'a fait forte impression. 896,02 Mbps à 5 GHz à l'étage supérieur est une valeur qu'un autre système devra d'abord atteindre. À l'étage inférieur, avec 442,23 Mbps, environ la moitié des performances arrive encore. Ce n'est certes pas la meilleure performance, mais c'est tout de même un très bon score.

En comparaison avec la concurrence sur l'ensemble de l'appartement, TP-Link, avec 631,31 Mbps à 5 GHz, se situe au même niveau que le Netgear Orbi AX6000, qui atteint à son tour 629,64 Mbps. Au niveau des 2,4 GHz, TP-Link a jusqu'à présent le meilleur système avec 255,72 Mbps et devance le second, le Linksys Velop AX4200 Mesh avec pas moins de 100 Mbps.
En termes de prix, le Deco X90 se situe dans la moyenne par rapport aux autres systèmes mesh. Je peux le recommander en raison de ses bonnes performances. La seule chose qui me dérange à ce modèle est le fait que les routeurs ne soient dotés que de deux ports réseau chacun. Au moins, l'un des deux est conçu pour une vitesse allant jusqu'à 2,5 Gbps.
Le baiser quotidien de la muse stimule ma créativité. Si elle m’oublie, j’essaie de retrouver ma créativité en rêvant pour faire en sorte que mes rêves dévorent ma vie afin que la vie ne dévore mes rêves.
Nos expertes et experts testent les produits et leurs applications, de manière indépendante et neutre.
Tout afficherCes articles pourraient aussi vous intéresser

Test de produit
Test de maillage Wi-Fi : le TP-Link Deco BE85 ne convainc qu'à moitié
par Martin Jud

Test de produit
AVM Mesh à l'essai dans le test de vitesse WiFi : Fritz!Box 4060 et Fritz!Repeater 6000
par Martin Jud

Test de produit
La concurrence Wi-Fi déclassée : Asus ROG Rapture GT6 Mesh à l'essai
par Martin Jud
