
Test de produit
Test Wi-Fi : Asus ZenWIFI BQ16 en duo
par Martin Jud

Quand un routeur ne suffit pas, deux devraient faire l'affaire : le routeur ZenWiFi tribande AX est-il beaucoup plus performant en configuration mesh qu'utilisé en solo ? Est-il plus efficace que le réseau mesh de Swisscom ?
Dans cet article, vous découvrirez si les deux routeurs ZenWiFi AX affichent de bonnes performances en réseau maillé ascendant sans fil. Vous pouvez acheter un seul routeur ou bien en lot de deux
Les spécifications d'un seul routeur :
Mais assez parlé de réseau câblé. Cet article traite de la question de l'augmentation de la vitesse Wi-Fi qu'un routeur supplémentaire dans un réseau mesh sans fil peut apporter par rapport à un routeur seul.
Le routeur est doté de quatre ports RJ45 pour connecter les autres appareils du réseau : un port WAN de 2,5 gigabits et trois ports LAN de 1 gigabit. Un port USB 3.1 de type A est également disponible.
Pour déterminer la latence, je ping mon NAS en utilisant la console DOS. Pour la puissance du signal, qui est spécifiée en décibels milliwatts (dBm), j'utilise le logiciel « NetSpot ». Les cartes thermiques présentées plus bas dans l'article proviennent de NetSpot.
Voici les résultats des routeurs ZenWiFi AX :
Avec -56 dBm, la bande 2,4 GHz est à première vue tout aussi stable. Mais en y regardant de plus près, on remarque qu'elle est encore plus efficace en termes de couverture. Même sur le balcon, le signal est toujours de -66 dBm. Dans tout l'appartement, on obtient en moyenne 139,77 Mbps avec 3 ms de latence.
Contrairement aux cartes thermiques du test du routeur en solo, ces cartes ne sont pas du tout tachées de bleu foncé. Le jaune, le vert et le bleu turquoise fournissent un signal suffisamment puissant pour tout l'appartement.
Le signal 2,4 GHz ne descend en dessous de -72 dBm à aucun point de mesure, c'est vraiment remarquable. Voici à quoi devrait ressembler toute visualisation d'un réseau Wi-Fi 2,4 GHz.
La comparaison 5 GHz :
* Valeur moyenne des pièces qui ont du réseau.Asus remporte la couronne du test de vitesse Wi-Fi 2,4 GHz, grâce à une latence moyenne de seulement 3 ms ainsi qu'une vitesse et une couverture réseau également un peu meilleures. Par rapport au ZenWiFi AX utilisé seul, qui donne des valeurs similaires au réseau mesh Swisscom, j'enregistre une augmentation d'environ 24 Mbps avec le réseau mesh Asus.
La comparaison 2,4 GHz :
Le ZenWiFi AX avait déjà donné de bons résultats avec un seul routeur. Asus ne nous fait pas faux bond quant aux performances de ses routeurs en réseau maillé. Bien au contraire, le réseau élimine les zones mortes et son signal couvre tout mon appartement. Les cartes thermiques montrent que mon appartement pourrait même être un peu plus grand. Mon voisin de droite devrait pouvoir bénéficier de ma connexion sans problème depuis son canapé.
Le réseau mesh Asus est comparable au réseau mesh Swisscom que j'ai déjà testé. En 5 GHz, Swisscom ne prend l'avantage sur Asus que de 15 Mbps. En revanche, en 2,5 GHz c'est Asus qui prend l'avantage avec 24 Mbps de plus que Swisscom.
Dans l'ensemble, on peut recommander l'utilisation de deux ZenWiFi AX en réseau mesh. Asus offre ici de très bonnes performances, mais aussi de nombreuses options de configuration. En outre, le design est très agréable. Pour un routeur, le boîtier est relativement compact et les antennes ne sont pas visibles.
Le baiser quotidien de la muse stimule ma créativité. Si elle m’oublie, j’essaie de retrouver ma créativité en rêvant pour faire en sorte que mes rêves dévorent ma vie afin que la vie ne dévore mes rêves.
Nos expertes et experts testent les produits et leurs applications, de manière indépendante et neutre.
Tout afficher
Test de produit
par Martin Jud

Test de produit
par Martin Jud

Test de produit
par Martin Jud
Avec le ZenWiFi AX, je teste pour la première fois dans mon nouvel appartement un routeur qui ne provient pas d'un fournisseur d'accès Internet. Cela peut avoir des avantages. Plus de possibilités de réglages et de fonctionnalités. Ces boxes vous permettent également d'être indépendant et vous évitent de perdre votre infrastructure de réseau si vous deviez un jour changer de FAI. J'ai déjà testé le routeur en fonctionnement hors réseau mesh.
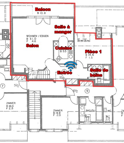
Deux étages, 140 m² de surface habitable et deux routeurs. Leur emplacement est indiqué sur le plan de l'appartement ci-dessous. Comme lors du test du routeur en solo, le premier se trouve dans la pièce 3. La prise ethernet murale la plus centrale dans l'appartement. Le second routeur se trouve au premier étage, là où la réception était la meilleure lors du premier test. C'est donc là que je placerai tous les routeurs secondaires pour tester les réseaux mesh afin d'obtenir des résultats comparables.


Si vous envisagez d'acheter un nouveau routeur, il est préférable d'opter pour un appareil compatible avec les réseaux mesh. Un routeur que vous pourrez coupler avec un autre. Contrairement à un répéteur Wi-Fi, le point d'accès mesh ne se contente pas de prolonger le signal, mais établit un deuxième réseau décentralisé qui fonctionne conjointement avec le premier. Pour faire fonctionner un réseau mesh, il faut au moins deux appareils. Un avec une connexion WAN au modem. Le second, placé quelque part à l'étage inférieur ou supérieur. Idéalement, là où le signal du premier appareil est au plus fort.
Le second appareil ne doit pas nécessairement être connecté à internet via un câble LAN. Il se connecte au premier par radio. Toutefois, le maillage peut être exploité non seulement via un backhaul 5 GHz, mais aussi via un câble LAN si nécessaire. Avec une connexion ascendante câblée, toute la puissance de chacun des routeurs du réseau peut être utilisée pleinement. Cela signifie que les largeurs de bande de 5 GHz, qui sont utilisées pour la communication entre les deux appareils en fonctionnement mesh classique, sont également disponibles.

D'ailleurs, la mise en service de deux routeurs est aussi simple qu'avec un seul. Avec l'application Asus Router App, disponible sous Android et iOS, ajoutez facilement des appareils AiMesh. Vous pouvez également utiliser l'interface web. Pour connecter un nouvel appareil compatible Ai, il doit être en vue et à moins de trois mètres du premier appareil.
Pour mesurer les performances du nouveau réseau maillé Wi-Fi, j'utilise le logiciel « LAN Speed Test ». Plus important encore que le logiciel, j'effectue toutes les mesures avec le même ordinateur portable compatible Wi-Fi 6. J'ai également besoin d'un adversaire assez rapide pour échanger de grandes quantités de données. Une solution de stockage réseau comme un SSD – ou bien comme chez moi, un NAS – fait très bien l'affaire
| Lieu | Bande de fréquences 5 GHz
Vitesse / ping / intensité du signal | Bande de fréquences 2,4 GHz
Vitesse / ping / intensité du signal |
|---|---|---|
| Entrée | 403,54 Mbps / 3 ms / -47 dBm | 165,63 Mbps / 3 ms / -43 dBm |
| Salon | 369,18 Mbps / 4 ms / -64 dBm | 124,99 Mbps / 4 ms / -59 dBm |
| Salle à manger | 375,33 Mbps / 4 ms / -64 dBm | 156,81 Mbps / 4 ms / -52 dBm |
| Cuisine | 378,62 Mbps / 4 ms / -62 dBm | 149,05 Mbps / 4 ms / -48 dBm |
| Balcon | 228,74 Mbps / 5 ms / -75 dBm | 113,15 Mbps / 4 ms / -66 dBm |
| Pièce 1 | 394,79 Mbps / 4 ms / -55 dBm | 159,92 Mbps / 3 ms / -58 dBm |
| Salle de bain | 351,46 Mbps / 3 ms / -53 dBm | 155,36 Mbps / 3 ms / -55 dBm |
| Couloir | 736,91 Mbps / 3 ms / -52 dBm | 157,38 Mbps / 3 ms / -53 dBm |
| Pièce 2 | 448,25 Mbps / 3 ms / -57 dBm | 100,19 Mbps / 3 ms / -62 dBm |
| Pièce 3 | 761,64 Mbps / 2 ms / -39 dBm | 166,24 Mbps / 2 ms / -51 dBm |
| Pièce 4 | 539,08 Mbps / 3 ms / -58 dBm | 105,87 Mbps / 3 ms / -64 dBm |
| Douche/WC | 620,73 Mbps / 3 ms / -54 dBm | 122,66 Mbps / 3 ms / -59 dBm |
| Ø | 467,36 Mbps / 3 ms / -57 dBm | 139,77 Mbps / 3 ms / -56 dBm |
L'intensité du signal des deux bandes de fréquence est élevée. En 5 GHz, on obtient une très bonne moyenne de -57 dBm. La réception dans la zone la plus problématique de l'appartement, j'ai nommé le balcon, est tout à fait acceptable avec -75 dBm. Avec 228,74 Mbps, une quantité considérable de données est transmise chaque seconde. En théorie, quatre flux UHD Blu-ray ou encore neuf flux UHD Netflix pourraient arriver sans encombre sur les appareils finaux. Sur 140 m², vous pouvez surfer avec une moyenne de 467,36 Mbps et un ping de 3 ms.






Les deux routeurs atteignent une augmentation moyenne de près de 100 Mbps dans la gamme de fréquences de 5 GHz par rapport au routeur utilisé seul. L'intensité du signal augmente de 15 dBm avec -57 dBm et une latence identique de 3 ms. Les routeurs Asus fonctionnent plus ou moins comme le Wi-Fi mesh de Swisscom. Mais ce dernier est un tout petit peu plus rapide, ce qui lui permet de conserver la première place sur le podium du test de vitesse Wi-Fi 5 GHz pour le moment.

Aukey Spark Mega
27600 mAh, 140 W, 99.36 Wh