Mastervolt ChargeMaster Plus 12/35-3 12V 35A Chargeur de batterie 3 bancs de batteries

12V, 35 A
Livré entre 7/1/2026 et 14/1/2026
Plus que 1 pièce en stock chez le fournisseur
livraison gratuite

Informations sur le produit

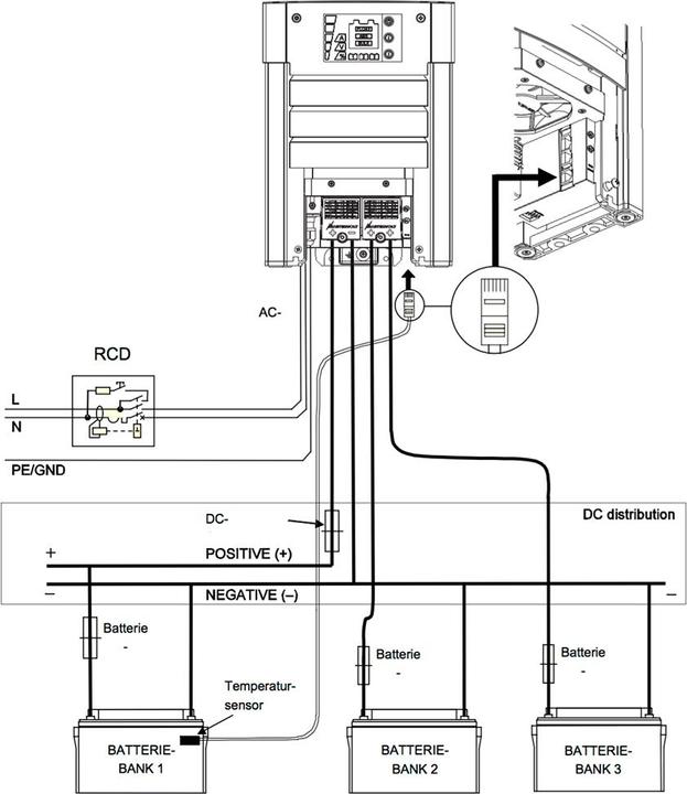
Le chargeur de batterie Mastervolt ChargeMaster Plus 12/35-3 est un appareil professionnel conçu pour les batteries marines, offrant une performance fiable dans des environnements maritimes exigeants. Ce système de charge avancé fournit 35 ampères de puissance de charge à 12 volts et est adapté à différents types de batteries, y compris les batteries plomb-acide, gel et AGM. Le chargeur dispose d'un processus de charge sophistiqué en trois étapes : Bulk, Absorption et Float, pour garantir une santé optimale et une longévité des batteries. Avec des dimensions d'environ 245 mm de large, 145 mm de haut et 95 mm de profondeur, ainsi qu'un poids de 2,8 kg, cette unité compacte offre une puissance considérable dans un format peu encombrant. Le ChargeMaster Plus intègre une compensation de température intelligente, ajustant automatiquement la tension de charge en fonction de la température ambiante, protégeant ainsi les batteries dans des conditions climatiques variables allant de -20 °C à +50 °C. Des fonctions de sécurité complètes telles que la protection contre les courts-circuits, la protection contre les surtensions et la protection contre l'inversion de polarité sont incluses. L'appareil fonctionne avec un rendement élevé, typiquement supérieur à 90 %, et se distingue par une faible consommation d'énergie en veille. Conçu pour une installation permanente sur des bateaux et des navires marins, ce chargeur est fabriqué avec des matériaux résistants à la corrosion pour les applications maritimes. Le boîtier robuste en aluminium assure une dissipation thermique efficace et protège les composants internes des conditions maritimes difficiles. Les options de connexion comprennent des bornes à vis pour des connexions électriques sécurisées, et l'unité est conçue pour une intégration facile dans les systèmes électriques marins existants. Ce chargeur maintient la disponibilité des batteries pendant les périodes de stockage et garantit une performance de démarrage fiable en cas de besoin. Le chargeur de batterie Mastervolt ChargeMaster Plus 12/35-3 représente une technologie de charge marine professionnelle axée sur la durabilité, la sécurité et une performance constante dans des environnements maritimes difficiles.

Spécifications principales

Fonction de protection
Court-circuitInversion de polaritéSurtension
Technologie de batterie adaptée
AGAGel acide-plombLithiumPlomp - acide WET
Véhicule
Canotage
Numéro d'article
33128668

Informations générales

Fabricant
Mastervolt
Catégorie
Chargeurs de batterie de voiture
Réf. du fabricant
44310355
Date de sortie
16/5/2023

Propriétés du chargeur de batterie

Véhicule
Canotage
Technologie de batterie adaptée
AGAGel acide-plombLithiumPlomp - acide WET
Tension
12V
Courant de charge (max)
35 A
Intensité de charge 12V
35 A

Alimentation

Alimentation
Fonctionnement sur secteur
tension d'entrée
90 - 265 V

Sécurité

Fonction de protection
Court-circuitInversion de polaritéSurtension

Contribution climatique volontaire

CO₂-Emission
Contribution climatique

Dimensions du produit

Longueur
9.50 cm
Largeur
24.50 cm
Hauteur
14.50 cm
Poids
2800 g

Droit de retour de 30 jours
24 mois Garantie (Bring-in)

Comparer les produits

Convient

Critiques et opinions

Taux de recours en garantie

La fréquence à laquelle un produit de cette marque dans la catégorie « Chargeurs de batterie de voiture » présente un défaut au cours des 24 premiers mois.

Source: Digitec Galaxus
  • Mastervolt
    Données insuffisantes
  • 1.Ctek
    0.3 %
  • 1.Dino
    0.3 %
  • 1.Tecmate
    0.3 %
  • 4.Einhell
    0.4 %

Durée de la garantie

Le temps moyen de traitement entre l'arrivée au point de service et le retour chez le client, en jours ouvrables.

Source: Digitec Galaxus
  • Mastervolt
    Données insuffisantes
  • 1.AEG
    0 jour
  • 1.Einhell
    0 jour
  • 3.Ctek
    1 jour
  • 4.Noco
    3 jours

Taux de retour

Fréquence à laquelle un produit de cette marque est retourné dans la catégorie « Chargeurs de batterie de voiture ».

Source: Digitec Galaxus
  • Mastervolt
    Données insuffisantes
  • 1.Qoltec
    1.1 %
  • 2.Ctek
    1.2 %
  • 3.Osram
    1.3 %
  • 4.AEG
    1.4 %
Source: Digitec Galaxus