
Test de produit
Swisscom à l'essai dans le test de vitesse WiFi : que vaut l'Internet Box 3 ?
par Martin Jud

Le routeur WiFi n'est plus aussi puissant ? Il est temps d'investir dans du nouveau matériel, par exemple dans une extension mesh. Swisscom propose la WLAN-Box 2 à ses clients.
L'Internet Box 3 de Swisscom offre une solide performance WiFi. Cependant, elle n'a pas suffi pour que j'aie un Internet rapide dans tout mon appartement. Lors des tests, le plus grand enjeu était d'avoir Internet sur mon balcon. Jusqu'à présent, je n'arrive pas à obtenir plus de 16,52 Mbps. Mais cela va peut-être changer.
Si vous voulez augmenter la portée de votre WiFi, vous pouvez par exemple le faire grâce à un point d'accès ou un routeur supplémentaire. Contrairement à un répéteur WiFi, le point d'accès mesh ne transmet pas simplement le signal, mais établit un deuxième réseau décentralisé qui fonctionne conjointement avec le premier. Il est aussi possible de brancher plusieurs réseaux supplémentaires ; dans le cas de Swisscom, jusqu'à quatre petites Box supplémentaires.
Voici les spécifications de la WLAN-Box 2 :
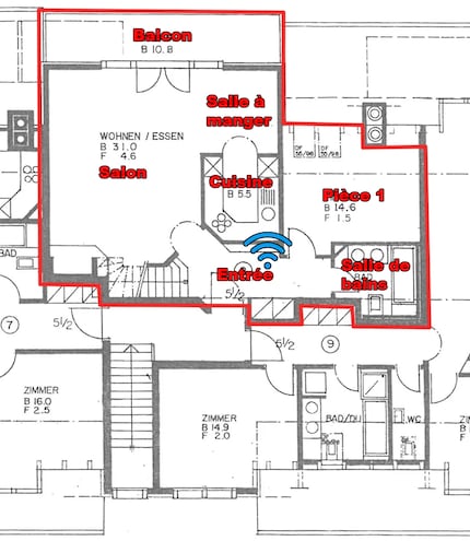
Étant donné que mon appartement en duplex de 140 m² a déjà été témoin de deux tests de vitesse WiFi, je sais, grâce aux résultats, où se trouve l'emplacement idéal pour une Box supplémentaire et également où le signal du routeur (installé au deuxième étage, là où se trouve la connexion la plus centrale de mon appartement) est le plus puissant au premier étage. Il s'agit de l'entrée, plus exactement sur l'armoire à chaussures contre le mur commun avec la cuisine. Sur le plan de l'appartement ci-dessous, vous voyez l'emplacement de l'Internet Box 3 en vert et celui de l'extension mesh, la WLAN Box 2, en bleu.


La Box supplémentaire s'intègre dans le WiFi existant via l'appli pour smartphone ou l'interface Web en insérant l'adresse IP 192.168.1.1 dans un navigateur. Toutefois, je ne dispose pas d'Internet de Swisscom nécessaire pour la configuration. Suite à ma demande, le département des RP de Swisscom a préconfiguré ma Box.

Une fois que la WLAN Box 2 est intégrée dans le WiFi existant, il est possible de connecter jusqu'à trois appareils supplémentaires à ses ports RJ45 (Gigabit).
Toujours le même ordinateur portable compatible AX à la main, je me balade dans l'appartement. Pour tester la vitesse, j'utilise le logiciel « LAN Speed Test ». Par emplacement, je télécharge et téléverse plusieurs fois un fichier de 1 Go de mon NAS. Je détermine la latence dans la console DOS ; je ping mon NAS. Pour la puissance du signal, qui est spécifiée en décibels milliwatts (dBm), j'utilise le logiciel « NetSpot ». Les cartes thermiques présentées plus bas dans l'article proviennent de NetSpot.
Voici les résultats du WiFi mesh de Swisscom :
| Lieu | **Bande de fréquence 5 GHz
Vitesse / Ping / Intensité du signal** | **Bande de fréquence 2,4 GHz
Vitesse / Ping / Intensité du signal** |
|---|---|---|
| Entrée | 415,33 Mbps / 3 ms / -40 dBm | 148,02 Mbps / 4 ms / -44 dBm |
| Salon | 392,59 Mbps / 4 ms / -59 dBm | 112,12 Mbps / 5 ms / -58 dBm |
| Salle à manger | 390,04 Mbps / 4 ms / -58 dBm | 111,37 Mbps / 5 ms / -63 dBm |
| Cuisine | 396,55 Mbps / 3 ms / -55 dBm | 126,56 Mbps / 4 ms / -56 dBm |
| Balcon | 238,47 Mbps / 4 ms / -70 dBm | 80,81 Mbps / 5 ms / -72 dBm |
| Pièce 1 | 396,21 Mbps / 3 ms / -54 dBm | 112,98 Mbps / 4 ms / -63 dBm |
| Salle de bains | 378,08 Mbps / 3 ms / -55 dBm | 110,25 Mbps / 4 ms / -61 dBm |
| Couloir | 743,90 Mbps / 2 ms / -48 dBm | 135,74 Mbps / 3 ms / -58 dBm |
| Pièce 2 | 461,16 Mbps / 3 ms / -63 dBm | 96,16 Mbps / 4 ms / -64 dBm |
| Pièce 3 | 823,72 Mbps / 2 ms / -40 dBm | 169,53 Mbps / 2 ms / -43 dBm |
| Pièce 4 | 492,75 Mbps / 3 ms / -60 dBm | 94,09 Mbps / 4 ms / -64 dBm |
| Douche/WC | 656,87 Mbps / 2 ms / -55 dBm | 109,47 Mbps / 3 ms / -58 dBm |
| Ø | 482,14 Mbps / 3 ms / -55 dBm | 117,26 Mbps / 4 ms / -59 dBm |
Les deux Box Swisscom parviennent à garder le niveau de signal élevé. Même dans la zone à problème que représente mon balcon, on obtient une puissance de signal passable de -70 voire -72 dBm. La courte latence de 3 ms pour 5 GHz et de 4 ms pour 2,4 GHz dans la plage de fréquence fait plaisir.
Sur les deux étages, le WiFi atteint une vitesse moyenne de 482,14 Mpbs pour 5 GHz et de 117,26 Mbps pour 2,4 GHz. Cela correspond à un débit des données d'environ 20 UHD de streaming sur Netflix.
Pour une fois, la carte thermique n'affiche aucune zone bleu foncé. C'est parfait, car plus le signal est bas et la couleur va vers le bleu, moins il y a de réseau. Le réseau devient vraiment précaire à -80 dBm.



Le fait que la bande de fréquence 2,4 GHz ait une portée plus importante n'a pas d'importance avec la configuration mesh. En effet, les zones à couvrir ne sont pas assez éloignées les unes des autres pour que cela ait un impact. Même sur le balcon, la bande de 5 GHz a une performance plus élevée de 2 dBm.



En prenant en considération la bande de 5 GHz, la Swisscom Internet Box 3 seule atteint au premier étage 246,07 Mbps. Avec la Box supplémentaire, Swisscom parvient à atteindre 372,47 Mbps. Il s'agit donc d'une bonne augmentation de 126,40 Mpbs. Sur le balcon, où jusqu'à présent je ne parvenais pas à capter le réseau, il y a même une augmentation de 238,47 Mbps. Si l'on considère tout l'appartement, le débit de données connaît une augmentation totale de 83,17 Mbps. Ma vieille Connect Box UPC n'arrive pas à suivre.
Avec la bonne couverture de 5 GHz du système mesh, la plage de fréquence de 2,4 GHz ne joue qu'un rôle secondaire et atteint une vitesse et une latence agréables sur le balcon grâce à la deuxième Box. L'augmentation en fonctionnement individuel de la Box Internet s'élève en tout à 16,93 Mbps.
La comparaison 5 GHz :
| **Lieu* | Swisscom Mesh WiFi (WiFi 6) | Swisscom Internet Box 3 (WiFi 6) | UPC Connect Box (WiFi 5) |
|---|---|---|---|
| Entrée | 415,33 Mbps / 3 ms / -40 dBm | 458,23 Mbps / 2 ms / -64 dBm | 121,36 Mbps / 4 ms / -73 dBm |
| Salon | 392,59 Mbps / 4 ms / -59 dBm | 155,35 Mbps / 4 ms / -78 dBm | 31,71 Mbps / 12 ms / -76 dBm |
| Salle à manger | 390,04 Mbps / 4 ms / -58 dBm | 127,94 Mbps / 5 ms / -83 dBm | 0 Mbps / pas de ping / -82 dBm |
| Cuisine | 396,55 Mbps / 3 ms / -55 dBm | 240,57 Mbps / 3 ms / -75 dBm | 0 Mbps / pas de ping / -81 dBm |
| Balcon | 238,47 Mbps / 4 ms / -70 dBm | 0 Mbps / kein Ping / -92 dBm | 0 Mbps / pas de ping / -83 dBm |
| Pièce 1 | 396,21 Mbps / 3 ms / -54 dBm | 357,59 Mbps / 3 ms / -71 dBm | 23,49 Mbps / 14 ms / -78 dBm |
| Salle de bains | 378,08 Mbps / 3 ms / -55 dBm | 382,80 Mbps / 3 ms / -71 dBm | 85,84 Mbps / 5 ms / -75 dBm |
| Couloir | 743,90 Mbps / 2 ms / -48 dBm | 718,72 Mbps / 2 ms / -47 dBm | 456,66 Mbps / 5 ms / -55 dBm |
| Pièce 2 | 461,16 Mbps / 3 ms / -63 dBm | 446,76 Mbps / 3 ms / -64 dBm | 384,16 Mbps / 5 ms / -63 dBm |
| Pièce 3 | 823,72 Mbps / 2 ms / -40 dBm | 795,61 Mbps / 2 ms / -38 dBm | 492,58 Mbps / 3 ms / -46 dBm |
| Pièce 4 | 492,75 Mbps / 3 ms / -60 dBm | 475,07 Mbps / 3 ms / -60 dBm | 432,33 Mbps / 4 ms / -55 dBm |
| Douche/WC | 656,87 Mbps / 2 ms / -55 dBm | 628,98 Mbps / 2 ms / -54 dBm | 382,73 Mbps / 4 ms / -57 dBm |
| Ø | 482,14 Mbps / 3 ms / -55 dBm | 398,97 Mbps / 3 ms* / -66 dBm | 200,91 Mbps / 6 ms* / -69 dBm |
* Valeur moyenne des pièces qui ont du réseau.
La comparaison 2,4 GHz :
| Lieu | Swisscom Mesh-WiFi (WiFi 6) | Swisscom Internet-Box 3 (WiFi 6) | UPC Connect Box (WiFi 5) |
|---|---|---|---|
| Entrée | 148,02 Mbps / 4 ms / -44 dBm | 135,46 Mbps / 3 ms / -64 dBm | 64,87 Mbps / 6 ms / -66 dBm |
| Salon | 112,12 Mbps / 5 ms / -58 dBm | 48,98 Mbps / 5 ms / -77 dBm | 52,30 Mbps / 7 ms / -69 dBm |
| Salle à manger | 111,37 Mbps / 5 ms / -63 dBm | 54,61 Mbps / 5 ms / -75 dBm | 31,81 Mbps / 8 ms / -74 dBm |
| Cuisine | 126,56 Mbps / 4 ms / -56 dBm | 128,03 Mbps / 3 ms / -65 dBm | 28,43 Mbps / 8 ms / -76 dBm |
| Balcon | 80,81 Mbps / 5 ms / -72 dBm | 16,52 Mbps / 12 ms / -85 dBm | 16,71 Mbps / 11 ms / -80 dBm |
| Pièce 1 | 112,98 Mbps / 4 ms / -63 dBm | 106,37 Mbps / 4 ms / -65 dBm | 46,17 Mbps / 7 ms / -69 dBm |
| Salle de bains | 110,25 Mbps / 4 ms / -61 dBm | 108,42 Mbps / 3 ms / -71 dBm | 63,25 Mbps / 6 ms / -65 dBm |
| Couloir | 135,74 Mbps / 3 ms / -58 dBm | 150,74 Mbps / 2 ms / -54 dBm | 87,12 Mbps / 5 ms / -57 dBm |
| Pièce 2 | 96,16 Mbps / 4 ms / -64 dBm | 88,33 Mbps / 4 ms / -70 dBm | 72,68 Mbps / 7 ms / -60 dBm |
| Pièce 3 | 169,53 Mbps / 2 ms / -43 dBm | 176,88 Mbps / 2 ms / -45 dBm | 93,54 Mbps / 4 ms / -41 dBm |
| Pièce 4 | 94,09 Mbps / 4 ms / -64 dBm | 86,32 Mbps / 4 ms / -64 dBm | 91,09 Mbps / 6 ms / -55 dBm |
| Douche/WC | 109,47 Mbps / 3 ms / -58 dBm | 103,29 Mbps / 3 ms / -60 dBm | 89,96 Mbps / 6 ms / -55 dBm |
| Ø | 117,26 Mbps / 4 ms / -59 dBm | 100,33 Mbps / 4 ms / -66 dBm | 61,49 Mbps / 7 ms / -64 dBm |
Grâce à sa Box supplémentaire, Swisscom offre une extension WiFi bon marché. Je peux enfin avoir accès à Internet partout dans mon appartement. Ou plutôt, je pourrais y avoir accès, si j'avais un abonnement Swisscom. J'aime la vitesse supplémentaire, mais il est encore trop tôt pour crier victoire. Il existe sûrement encore des solutions mesh plus performantes.
Je dois donc vérifier à l'aide d'autres tests à quel point le système mesh de Swisscom est bon comparé à d'autres. Mon prochain test portera sur deux routeurs WiFi 6 d'Asus. J'ai hâte de voir la performance de ces appareils. Vous aussi ? Alors, suivez-moi en cliquant sur le bouton « Suivre l'auteur ».
Le baiser quotidien de la muse stimule ma créativité. Si elle m’oublie, j’essaie de retrouver ma créativité en rêvant pour faire en sorte que mes rêves dévorent ma vie afin que la vie ne dévore mes rêves.
Nos expertes et experts testent les produits et leurs applications, de manière indépendante et neutre.
Tout afficher
Test de produit
par Martin Jud

Test de produit
par Martin Jud

Test de produit
par Martin Jud